


草甘膦是广泛使用的许多除草剂中的有效活性化学成分,它在欧盟的使用受到了严格的监管。闪蒸干燥机是集干燥、粉碎、筛分于一体的新型连续式干燥设备,特别适用于滤饼状、膏糊状、稀泥浆状物料的烘干
0519-88728688 
闪蒸干燥机是集干燥、粉碎、筛分于一体的新型连续式干燥设备,特别适用于滤饼状、膏糊状、稀泥浆状物料的烘干。湿物料在干燥塔内干燥时间仅为几十秒,水份瞬间蒸发,干燥出的产品质量与干燥的温度、风速、风量、破碎的速度有很大关系。我公司有创新设计方案,通过调节闪蒸干燥切线进入的风速、风量、破碎的速度,控制出料的成品颗粒的大小和终含水量的高低。
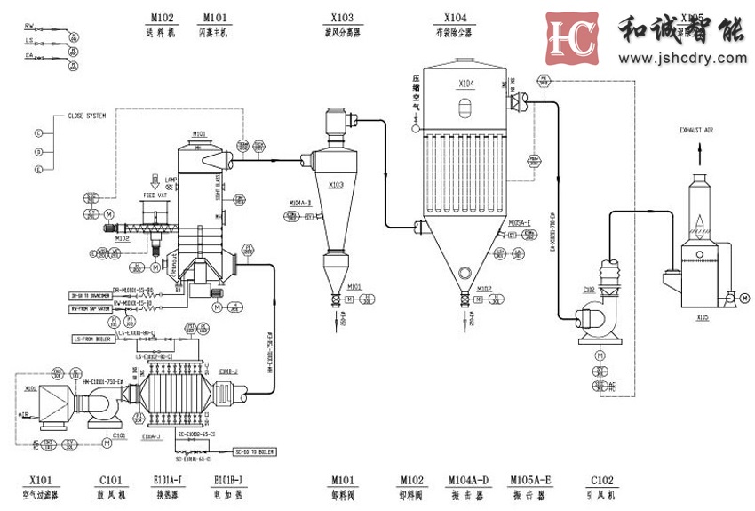
闪蒸干燥机是由热空气切线进入干燥器底部,在搅拌器带动下形成强有力的旋转风场。物料由螺旋加料器进入干燥器内,在高速旋转搅拌桨的强烈作用下,物料受撞击、磨擦及剪切力的作用下得到分散,块状物料迅速粉碎,与热空气充分接触、受热、干燥。湿含量较低及颗粒度较小的物料随旋转气流一并上升,输送至分离器进行气固分离,成品收集包装,而尾气则经除尘装置处理后排空。
(1) 干燥器底部设计为倒锥体结构,可使干燥气体流通截面自下而上不断变大,这样底部气速相对较大,上部气速相对较小,从而保证了下部大颗粒物料始终保持流化状态。另外,倒锥体结构还缩短了搅拌轴悬臂部分的长度,增加了转动的可靠性,还可以防止轴承在高温区工作的恶劣环境,从而延长了轴承的使用寿命。
(2) 搅拌器的搅拌齿上设有刮刀,物料被搅拌粉碎的同时,很容易被抛向器壁,如果不及时刮下来,就会使物料粘在器壁上,将会导致不正常的操作。搅拌齿上的刮刀,可把抛向器壁上的物料粘结之前刮下来,确保操作正常。
(3) 干燥室的分级环,可把未干燥的和大颗粒物料挡住,继续进行粉碎与干燥,从而保证产品粒度布窄,湿含量一致的要求。
(4) 锥底热风入口处设置冷风保护,热风开始与物料接触时,一般接近热空气的温度,远远高于床层的温度,操作中难免出现少部分物料在热风进入缝隙附近粘固,停留时间长,可使物料变质,甚至使物料熔化,为了避免这一现象发生,增设局部冷风保护,可以降低该处的温度,使操作正常,确保产品的质量。
(5) 特殊结构的加料器和螺旋输送器,它可把断续流动的块状物变成可控制的连续的物料流,在螺旋输料器壁上设有6根直压条,确保均匀加料。
(6) 物料在干燥器内,同时完成破碎、分散、干燥、分级的过程,达到一级多用,适用范围广。
(7) 由于物料受到离心剪切、碰撞、磨擦而被微粒化呈高度分散状态及气固间的相对速度较大,强化了传热和传质,使设备生产强度高。
(8) 干燥气体在干燥室里形成强列的旋转气流,对器壁上物料产生强列的冲刷带出作用,消除了粘壁现象。
(9) 进料和热风温度可以调节和控制,调节螺旋输送器的速度,可以保证^终湿含量的要求。
(10) 系统呈负压操作,消除了环境污染。
(11) 干燥时间短,对热敏性物料可直接干燥,并保证质量。




捷报迎春,骏马腾蹄!2026年春节复工伊始,江苏和诚智能以“一马当先”之势迎来新春发展开门红,成…
近日,江苏和诚智能装备技术部传来重磅消息,公司自主研发的年产千吨级碳纳米管钛材高温闪蒸干燥机…
继四川某企业采购新型除草剂草铵膦专用干燥机并成功运行后,在农化行业里迅速发酵扩散。多家农药企…
截屏,识别二维码
和诚智能